在工业制造领域,图纸是生产制造的关键依据,而气泡图对于精准把控产品尺寸和质量起着至关重要的作用。一直以来,德力测控泡泡图软件凭借强大的功能,为企业解决图纸处理难题,助力提升生产效率和质量控制水平。现在,好消息传来,德力测控泡泡图软件新增三维图纸识别标注气泡图功能,再次为行业带来惊喜!

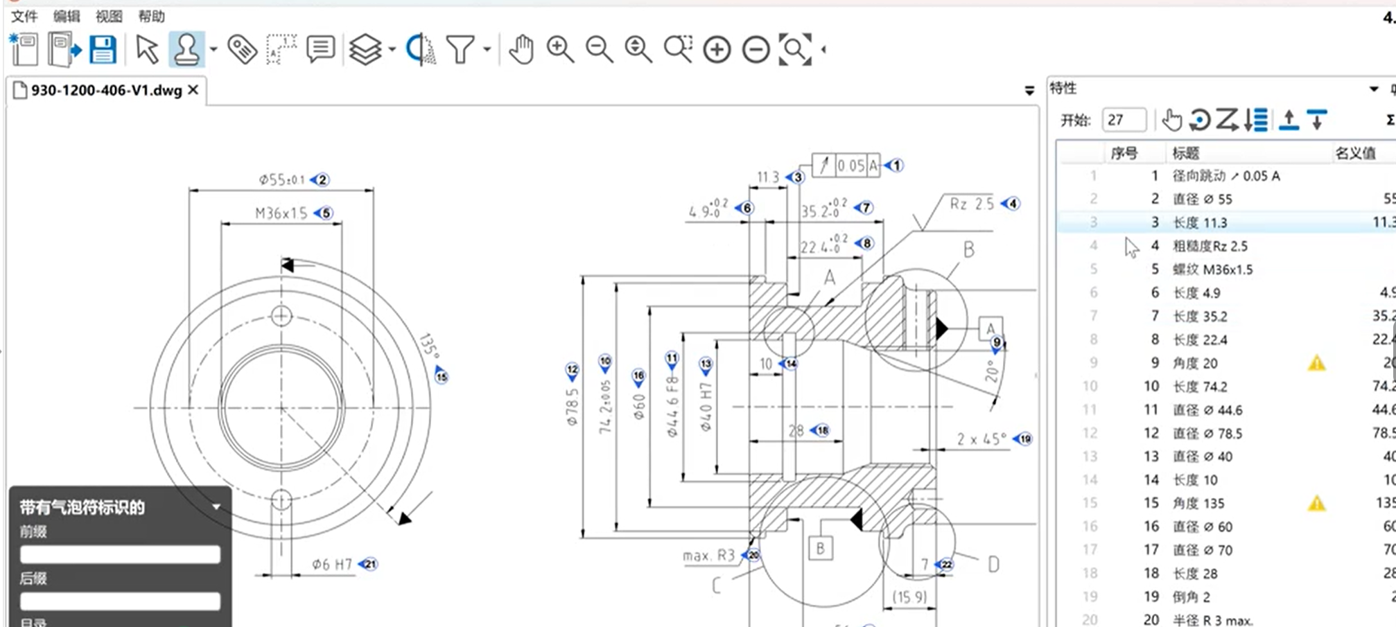
此前,软件在二维图纸处理方面表现卓越,能一键框选,自动生成气泡图,支持cad、dxf、pdf等多种格式图纸导入,还可对尺寸进行备注,生成不同颜色或样式气泡图,并一键导出数据生成表单 ,深受用户好评。如今新增的三维图纸识别标注气泡图功能,更是如虎添翼。

操作上,它与二维图处理一样简单便捷。打开泡泡图软件,新建检验计划版本后导入三维模型(如STEP格式三维模型) ,一键框选所有待测尺寸,所有检验尺寸便会直观呈现在表格里。对于不需要控制的尺寸,可轻松删除。完成标注后,调整好的气泡图能一键导出生成检测报告,整个过程高效流畅。



这一功能的上线,为机械设计、质量控制等相关工作带来极大便利。以往在处理三维图纸时,标注气泡图困难重重,如今德力测控泡泡图软件让难题迎刃而解,无论是复杂的机械零件设计,还是严格的质量检测环节,都能轻松实现三维图纸标注,提高工作效率,降低出错率。
如果您还在为三维图纸标注气泡图而烦恼,不妨试试更新后的德力测控泡泡图软件,体验全新功能带来的高效与便捷。

地址:北京市海淀区中关村紫金数码园3号楼709室
网站:www.dailyaid.com.cn
电话:010-59796778
电邮:office@dailyaid.com.cn
传真:010-62662785
邮编:100190
投诉电话:010-62006678
扫一扫关注我们
企业抖音号
电话:021-61170819/20-802
传真:021-61170819
地址:上海市宝山区联谊路398号顾众湾产业园1号楼1楼166-1室
邮编:200431
电话:022-86570798
传真:022-86570798
地址:天津市北辰区小街新苑路融创东岸名郡
电话:029-89195270
传真:029-89195271
地址:陕西省西安市莲湖区汉城路旭弘同德国际C座1418室
电话:028-84313165
传真:028-84313165
地址:四川省成都市成华区玉双路10号13幢1单元9楼35号(中国测试技术研究院内)
Tel: +86-10-5979 6778 ext 207
Fax: +86-10-6266 2785
Email: market@dailyaid.com.cn
电话:010-62662784
传真:010-62662785
邮箱:office@dailyaid.com.cn